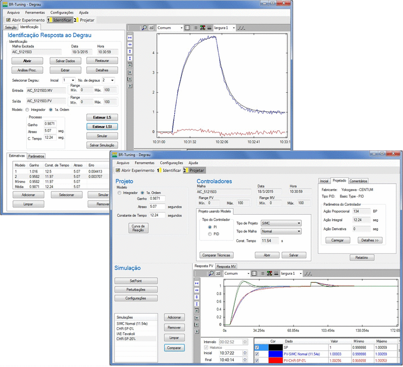
BR-Tuning Resposta ao Degrau
Identifica modelos de Primeira Ordem com Atraso (FOPTD) e modelos Integradores com Atraso (ITD) a partir dos experimentos de teste do DEGRAU realizados em uma malha de controle, em modo manual ou automático, sendo possível realizar o projeto de controladores PI/PID através das diversas técnicas baseadas nos modelos estimados. Para cada tipo de modelo estimado (FOPTD ou ITD), existe um conjunto de técnicas de projeto disponíveis.
As técnicas de projeto disponíveis para um modelo de Primeira Ordem com Atraso são:
| Métodos de Sintonia baseados no Modelo | |
|---|---|
| SIMC | C-H-R-SetPoint-20% |
| IMC | Cohen-Cohn |
| C-H-R-Load-0% | Ziegler-Nichols |
| C-H-R-Load-20% | IAE-Morril |
| C-H-R-SetPoint-0% | ITAE-Morril |
| IAE-Rovira | IAE-Tavakoli |
| ITAE-Rovira | ITAE-Tavakoli |