BR-Tuning Ponto Crítico
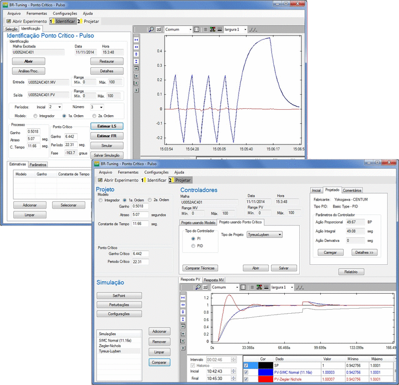
Processa as informações de experimentos do PONTO CRITICO realizados em uma malha de controle. Este experimento pode ser do tipo relé padrão (Relay Feedback Experiment) ou relé-pulso ambos realizados na malha de controle em modo manual (malha aberta).
Através desse módulo, é possível estimar o ponto de frequência onde a resposta em frequência do processo tem fase de aproximadamente -180º (Ponto Crítico do processo). Esse ponto de frequência é caracterizado através do Ganho Crítico e Período Crítico. O módulo permite realizar o projeto de controladores PI/PID através de técnicas baseadas nestas informações do ponto crítico.
Para o caso do experimento relé-pulso é possível ainda realizar a identificação de modelos de primeira ordem com atraso (FOPTD) e segunda ordem com atraso (SOPTD) do processo tornando possível também a utilização de técnicas de projeto baseadas em modelo similares as do módulo REPOSTA AO DEGRAU.
Os tipos de projeto disponíveis para um modelo de Primeira Ordem com Atraso são:
| Métodos de Sintonia baseados no Modelo | |
|---|---|
| SIMC | C-H-R-SetPoint-20% |
| IMC | Cohen-Cohn |
| C-H-R-Load-0% | Ziegler-Nichols |
| C-H-R-Load-20% | IAE-Morril |
| C-H-R-SetPoint-0% | ITAE-Morril |
| IAE-Rovira | IAE-Tavakoli |
| ITAE-Rovira | ITAE-Tavakoli |
Para projetos utilizando a informação do ponto crítico estão disponíveis as seguintes técnicas:
| Métodos de Sintonia baseados no Ganho Crítico e na Frequência Crítica | |
|---|---|
| Clair | Ziegler-Nichols |
| Tyreus Luyben | Some Overshoot |
| No Overshoot | |