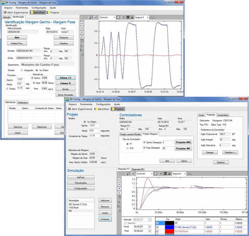
BR-Tuning Margens de Estabilidade

Utiliza as informações do experimento de MARGENS realizados em uma malha de controle. Este experimento pode ser do tipo Margem de Ganho, Margem de Fase ou a combinação dos dois experimentos, sempre realizado com a malha em modo automático (malha fechada) e utilizando sinais de excitação do tipo RELÉ..

Através desse módulo, é possível avaliar informações que quantificam o desempenho da malha de controle, são elas: Margem de Ganho e/ou Margem de Fase. É possível ainda estimar um modelo de primeira ordem com atraso ou um modelo integrador com atraso do processo. Além disso, o módulo possibilita o projeto de controladores PI/PID através de técnicas baseadas na informação das margens estimadas.

O projeto do controlador PID utilizando Margens calcula novos valores dos parâmetros do controlador para que o sistema resultante obtenha as margens de ganho ou de fase especificadas em projeto.